Beskrivning
Pumpen är uppbyggd enligt våtlöparprincipen, dvs en integrerad enhet motor/pump utan axel- tätning och med bara två packningar för tätning. Lagren smörjs av den pumpade vätskan.
Pumpen kännetecknas av:
- Radiallager och axel av keramik
- Axiallager av kol
- Rotorhölje och lagerplatta av rostfritt stål
- Korrosionsbeständigt pumphjul, Composite
- Rostfritt stål pumphus
Motorn är av typen 1-fas. Ytterligare motorskydd behövs ej.
Tekniskt:
- Varvtal: 1
- Nominellt flöde: 1.13 m³/h
- Nominrellt tryck: 0.63 m
- Lyfthöjd max: 15 dm
- TF klass: 95
- Godkännanden: CE,VDE,EAC,WEEE
- Radiallager och axel av keramik
- Axiallager av kol
- Rotorhölje och lagerplatta av rostfritt stål
- Korrosionsbeständigt pumphjul, Composite
- Rostfritt stål pumphus
Motorn är av typen 1-fas. Ytterligare motorskydd behövs ej.
Tekniskt:
- Varvtal: 1
- Nominellt flöde: 1.13 m³/h
- Nominrellt tryck: 0.63 m
- Lyfthöjd max: 15 dm
- TF klass: 95
- Godkännanden: CE,VDE,EAC,WEEE
Dokument
Teknisk information
| Varumärke | Grundfos |
|---|---|
| Art.Nr. | 59641500 |
| Färg | Röd |
| Funktion | Enkel för VVC |
| Tillverkarens Art.Nr. | 59641500 |
| Material | Rostfritt stål |
| Tryck | 10 Bar |
| Serie | UP |
| Typ | Tappvarmvattenpump |
| Spänning | 230 V |
| Djup | 126 mm |
| Diameter Inlopp | 32 mm |
| Diameter Utlopp | 32 mm |
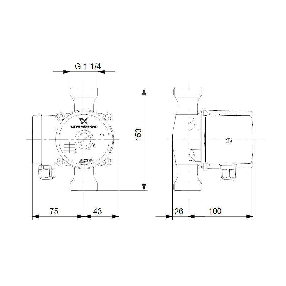
| Höjd | 150 mm |
| IP-Klassning | IP44 |
| Effekt | 65 W |
| Vikt | 2,05 kg |
| Bredd | 118 mm |
| RSK-nr | 5803011 |
| EAN-nr | 5708601058738 |




