Beskrivning
ALPHA1 är en cirkulationspump avsedd för värmesystem. Pumpen har integrerad differenstrycksstyrning samt konstantkurvläge. Det idealiska valet för grundläggande funktionsbehov. Pumpen levereras exkl. kopplingar. Våt högeffektiv cirkulationspump i enkelutförande avsedd för cirkulation i värmesystem.
Högeffektiva cirkulatorer, konstruerade för cirkulerande vätskor i värmesystem. Med ett energieffektivitetsindex (EEI) som ligger vid ErP-riktmärket för de effektivaste cirkulatorerna görs energibesparingar.
Funktioner:
- Intuitiv enknappsstyrning gör det enkelt att välja kontrollläge
- Inget externt motorskydd krävs för att minska installationstiden
- Högmomentstart förbättrar uppstart under svåra förhållanden
- Underhållsfri och tystgående på grund av våtlöpande motordesign och användning av robusta komponenter
- ALPHA-stickkontakten gör elinstallationen snabb, säker och enkel
- Isoleringskåpor levereras med pumpen för att minimera värmeförlusten i värmesystem
Pumpen har också tre kontrolllägen - var och en med tre inställningar
- Proportionell tryckreglering
- Konstant tryckreglering
- Konstant kurvläge
Displayen visar den faktiska effektförbrukningen i Watt. Lysdioder indikerar aktuell driftsstatus.
Pumpen har en keramisk axel och radiella lager, kollager, rostfritt stålrör, lagerplatta, rotorkåpa och kompositpumphjul som alla bidrar till lång livslängd.
Pumpen självventilerar genom systemet, vilket bidrar till lätt igångsättning. Den kompakta konstruktionen med pumphuvud med integrerad styrlåda och kontrollpanel passar in i de flesta vanliga installationer.
Pumphuset är gjort av rostfritt stål och är elektroforesbehandlat och har förbättrat skydd mot korrosion.
Motorn är en synkron permanentmagnetmotor som kännetecknas av hög effektivitet. Pumpens varvtal styrs av en integrerad frekvensomvandlare som ingår i kontrollboxen.
Tekniskt:
- Nominellt flöde: 1.5 m³/h
- Nominrellt tryck: 2.06 m
- Lyfthöjd max: 40 dm
- TF klass: 110
- Godkännanden: CE,VDE
- Modell: B
Funktioner:
- Intuitiv enknappsstyrning gör det enkelt att välja kontrollläge
- Inget externt motorskydd krävs för att minska installationstiden
- Högmomentstart förbättrar uppstart under svåra förhållanden
- Underhållsfri och tystgående på grund av våtlöpande motordesign och användning av robusta komponenter
- ALPHA-stickkontakten gör elinstallationen snabb, säker och enkel
- Isoleringskåpor levereras med pumpen för att minimera värmeförlusten i värmesystem
Pumpen har också tre kontrolllägen - var och en med tre inställningar
- Proportionell tryckreglering
- Konstant tryckreglering
- Konstant kurvläge
Displayen visar den faktiska effektförbrukningen i Watt. Lysdioder indikerar aktuell driftsstatus.
Pumpen har en keramisk axel och radiella lager, kollager, rostfritt stålrör, lagerplatta, rotorkåpa och kompositpumphjul som alla bidrar till lång livslängd.
Pumpen självventilerar genom systemet, vilket bidrar till lätt igångsättning. Den kompakta konstruktionen med pumphuvud med integrerad styrlåda och kontrollpanel passar in i de flesta vanliga installationer.
Pumphuset är gjort av rostfritt stål och är elektroforesbehandlat och har förbättrat skydd mot korrosion.
Motorn är en synkron permanentmagnetmotor som kännetecknas av hög effektivitet. Pumpens varvtal styrs av en integrerad frekvensomvandlare som ingår i kontrollboxen.
Tekniskt:
- Nominellt flöde: 1.5 m³/h
- Nominrellt tryck: 2.06 m
- Lyfthöjd max: 40 dm
- TF klass: 110
- Godkännanden: CE,VDE
- Modell: B
Dokument
Teknisk information
| Varumärke | Grundfos |
|---|---|
| Art.Nr. | 99199574 |
| Utförande | Max. statisk höjd 4m |
| Tillverkarens Art.Nr. | 99199574 |
| Modell | 25-40 |
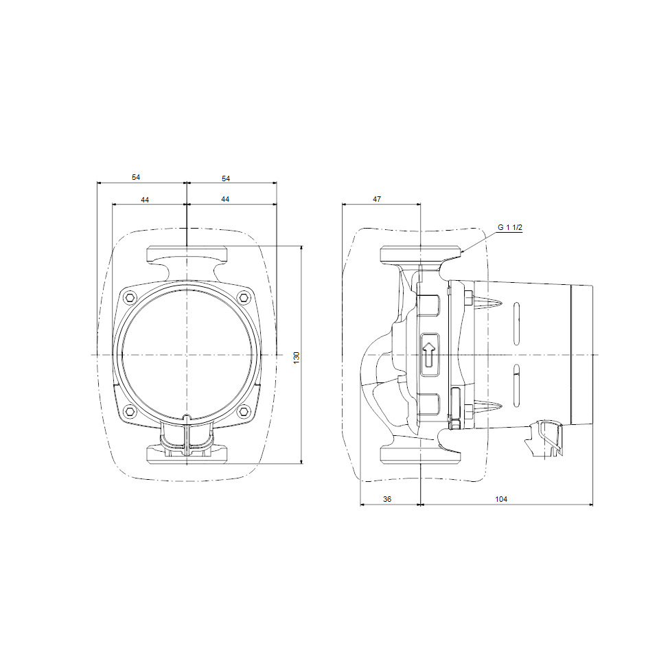
| Bygglängd | 130 mm |
| Diameter Inlopp | 40 mm |
| Diameter Utlopp | 40 mm |
| Höjd | 130 mm |
| Effekt | 18 W |
| Vikt | 1,89 kg |
| Färg | Röd/Svart |
| Funktion | Enkel för värme-/klimatsystem |
| Material | Gjutjärn, PVC-C (klorerad polyvinylklorid) |
| Tryck | 10 Bar |
| Serie | ALPHA1 |
| Typ | Cirkulationspump |
| Spänning | 230 V |
| Djup | 140 mm |
| IP-Klassning | IPX4 |
| Bredd | 108 mm |
| RSK-nr | 5758801 |
| EAN-nr | 5712608550041 |




